Hello All,
Great to find this site. I'm bringing back a 1993 750 super sport that I just bought back after 10+ years. Just went through end-to-end service including new Pilot Road 2s. Unfortunately, the last thing the dealer discovered was that my chain tensioner bolts are frozen. Both sides. Steal in aluminum. The chain is usable as set, but...
I've begun soaking in penetrating oil. Any further suggestions?
Thanks
750SS '93 Chain tensioner bolts frozen in swing arm
- jcslocum
- paso grand pooh-bah
- Posts: 1714
- Joined: Mon Jul 19, 2004 12:00 am
- model: 750 Paso
- year: 1988
- Location: Eastern Shore, MD
- Contact:
Re: 750SS '93 Chain tensioner bolts frozen in swing arm
The bolts are siezed into the sliders that are inside of the swingarm?? Penetrating oil and maybe some heat applied to the slider. I'd watch ebay or check with the dealer to see how much they are.


-
Fud Rucker
Re: 750SS '93 Chain tensioner bolts frozen in swing arm
Unless I'm not seeing things correctly, the bolts are threaded directly into the aluminum swing arm. There is a lock nut forward at the swingarm and aft the head of the bolt pushes against the slider. The steel bolt is frozen in the aluminum swingarm on both sides.
I've started daily treatments of penetrating oil. Heat may be in the future but I'd guess with aluminum you have to be careful.
I've started daily treatments of penetrating oil. Heat may be in the future but I'd guess with aluminum you have to be careful.
- jcslocum
- paso grand pooh-bah
- Posts: 1714
- Joined: Mon Jul 19, 2004 12:00 am
- model: 750 Paso
- year: 1988
- Location: Eastern Shore, MD
- Contact:
Re: 750SS '93 Chain tensioner bolts frozen in swing arm
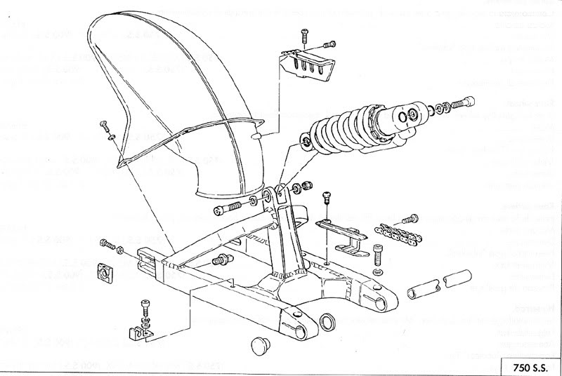
To try to be 100% clear. If I recall correctly and I do not have a Sport but an early 900SS, the bolt #10 is a slip fit thru the end plate #12. #10 threads into #8 and is kept in by 24. If the bolt 10 is siezed, it would be siezed into #8. You can pull the axle out and then the sliders will come out on either side. You can the apply penetratatin oil, I like PB Blaster, will begin to work on the threads in #8.
-
Fud Rucker
Re: 750SS '93 Chain tensioner bolts frozen in swing arm
Thanks for taking the time to think about this.
Do you have a URL where I could look at the parts diagram?
I've put an image of the chain tensioner in as my avitar since I couldn't see another easy way to get it uploaded.
The head of the bolt is pushing the slide to the left and the bolt itself is threaded into the swing arm to the right. There is a lock nut up against the swingarm.
Thanks.
Do you have a URL where I could look at the parts diagram?
I've put an image of the chain tensioner in as my avitar since I couldn't see another easy way to get it uploaded.
The head of the bolt is pushing the slide to the left and the bolt itself is threaded into the swing arm to the right. There is a lock nut up against the swingarm.
Thanks.
- jcslocum
- paso grand pooh-bah
- Posts: 1714
- Joined: Mon Jul 19, 2004 12:00 am
- model: 750 Paso
- year: 1988
- Location: Eastern Shore, MD
- Contact:
Re: 750SS '93 Chain tensioner bolts frozen in swing arm
I was using the wrong diagram. Loosen the lock nut and apply penetrating oil to where the bolt goes in. It mat soak in.
- ducinthebay
- paso grand pooh-bah
- Posts: 1323
- Joined: Sat Sep 03, 2005 12:00 am
- model: 750 Sport
- year: 1990
- Location: SF Bay Area
Re: 750SS '93 Chain tensioner bolts frozen in swing arm
Yes, you have a 900ss swingarm. And yes, the bolt does indeed have a common problem of freezing up in the swingarm. There are two contributing factors.
1. Galling of the bolt to the aluminum swingarm based on galvanic action. Once it starts, you don't have much choice. If you back out the bolt, the galling may strip out all the threads, or not. Penatrating oil helps, but there are no guarantees.
2. The bolt rusts in the hollow swingarm, usually because water gets in when one of the bolts for the chain guard is lost or removed. Once again, penatrating oil is your best bet.
Start by oiling the bolts well and threading them into the swingarm. Some race bikes had copper coated bolts for this exact problem.
Once you get them out, replace the bolts with Stainless Steel ones, or just clean up the bolts you have, and put plenty of Anti-seize on the threads, and seal all holes in your swingarm to keep water out. Keep your jam nuts tight, but not too tight so the load from the axle is transfered to the nuts, and not the threads in the aluminum.
If you do strip out your threads, then you are a candidate for a heli-coil insert.
Hope this helps. I had the same problem with my bike. I fortunately got the bolts out without too much damage.
Cheers,
1. Galling of the bolt to the aluminum swingarm based on galvanic action. Once it starts, you don't have much choice. If you back out the bolt, the galling may strip out all the threads, or not. Penatrating oil helps, but there are no guarantees.
2. The bolt rusts in the hollow swingarm, usually because water gets in when one of the bolts for the chain guard is lost or removed. Once again, penatrating oil is your best bet.
Start by oiling the bolts well and threading them into the swingarm. Some race bikes had copper coated bolts for this exact problem.
Once you get them out, replace the bolts with Stainless Steel ones, or just clean up the bolts you have, and put plenty of Anti-seize on the threads, and seal all holes in your swingarm to keep water out. Keep your jam nuts tight, but not too tight so the load from the axle is transfered to the nuts, and not the threads in the aluminum.
If you do strip out your threads, then you are a candidate for a heli-coil insert.
Hope this helps. I had the same problem with my bike. I fortunately got the bolts out without too much damage.
Cheers,
Duc in the Bay
1990 750 Sport x2-Rosso Blanko (900ss copy) & Nuovo Nudo (Scrambler project)
1991 907 -mostly stock
2002 ST4s - Lots of mods.
1990 750 Sport x2-Rosso Blanko (900ss copy) & Nuovo Nudo (Scrambler project)
1991 907 -mostly stock
2002 ST4s - Lots of mods.
